BN系列电磁制动器,YEJ刹车失电电磁制动器 BN-06/ BN-08/ BN-10/ BN-12/ BN-14/ BN-16/ BN-18
一、用途
该系列电磁失电制动器为通电电磁吸合,断电摩擦制动式制动器。主要与Y系列电动机配套生成一种新型的YEJ系列电磁制动三相异步电动机。广泛用于冶金、建筑、化工、食品、机床、包装等机械中,实现快速停车和准确定位,可用在断电时安全(防险)制动等场合。
二、特点
这种制动器具有结构紧凑、安装方便、适用性广、噪音低、工作频次高、动作灵敏、制动可靠等优点,是工业现代化中一种理想的自动化执行元件。
三、工作原理及安装维护
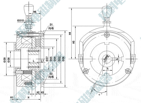
电磁失电制动器主要由励磁部份(磁轭、线圈、弹簧、衔铁)、制动盘、花键套等主要零部件组成。励磁部份通过安装螺钉安装在机座上,旋合安装螺钉调整气隙至规定值δ后,反向旋出空心螺栓,顶紧励磁部份?;ń√淄ü氪嵯嗔?;制动盘与花健套通过花键啮合。当线圈断电时,在弹簧的作用下,制动盘与衔铁、机座端面(或制动板)产生摩擦力,通过花键套传给传动轴使轴制动。当线圈2通电后,在电磁力作用下,衔铁被吸向磁轭,使制动盘松开,传动轴制动解除。(设备检修停电时,可通过轴向扳动手动释放机构,使制动解除。)
安装前应将摩擦副表面油污、杂物清除干净。
四 、技术参数及安装尺寸表
| 型号 | 额定力矩 M[N.m]1) |
额定功率 P20℃[W] |
输入电压 UDC[V]2) |
响应时间 3) | 最大间隙 δmax[mm]4) |
参考电机 [YEJ] |
|
| 制动时间T2[ms] | 释放时间T1[ms] | ||||||
| 06 | 4 | 20 | 24/190 | 30 | 49 | 0.5 | 63/71 |
| 08 | 8 | 29 | 24/190 | 35 | 63 | 0.6 | 80 |
| 10 | 16 | 35 | 24/190 | 50 | 78 | 0.6 | 90 |
| 12 | 32 | 45 | 24/190 | 60 | 115 | 1.0 | 100 |
| 14 | 60 | 55 | 24/190 | 42 | 215 | 1.1 | 112 |
| 16 | 80 | 65 | 24/190 | 57 | 225 | 1.4 | 132 |
| 18 | 150 | 95 | 24/190 | 89 | 275 | 1.4 | 160 |
注:
1)制动力矩根据要求可适当加大,需订制。
2)工作电压可根据要求订制,可配套半波、全波整流器,24V电源自备。
3)制动时间是指直流开关在正常间隙和正常工况下的制动器响应时间,其很大程度上取决于间隙及其调整方法,交流开关制动时间约比直流开关高6—8倍。
4)δmax最大工作气隙,超过后及时进行调整,否则可能造成制动器工作不正常。

| 型号 | d | D1 | D2 | D3 | D4 | D5 | D6 | D7 | D8 | D9 | D10 | b | h | L | L1 | H | H1 | H2 | H3 | H4 | H5 | H6 | δ | α |
| 06 | 12 | 3×M4 | 72 | 3×4.5 | 60 | 39 | 87 | 31 | 24 | 52 | 10 | 4 | 13.8 | 18 | 3 | 37.2 | 3~5 | 10 | 6 | 110 | 52 | 18 | 0.2 | 25 |
| 08 | 19.8 | 3×M5 | 90 | 3×5.5 | 75 | 45 | 105 | 41 | 26 | 60 | 10 | 5 | 16.2 | 20 | 3 | 45.2 | 3~5 | 10 | 7 | 120 | 63 | 22 | 0.2 | 25 |
| 10 | 24.8 | 3×M6 | 112 | 3×6.6 | 95 | 60 | 130 | 45 | 33 | 68 | 10 | 8 | 28.1 | 25 | 4 | 52.2 | 4~7 | 13 | 9 | 141 | 82 | 24 | 0.2 | 25 |
| 12 | 29.5 | 3×M6 | 132 | 3×6.6 | 115 | 75 | 150 | 52 | 40 | 83 | 10 | 8 | 32.8 | 30 | 4 | 58.8 | 4~9 | 14 | 9 | 169 | 92 | 24 | 0.3 | 25 |
| 14 | 29.5 | 3×M8 | 145 | 3×9 | 124 | 75 | 167 | 55 | 48 | 92 | 12 | 8 | 32.8 | 30 | 4 | 70.3 | 5~11 | 14 | 11 | 189 | 102 | 24 | 0.3 | 25 |
| 16 | 39.5 | 4×M8 | 170 | 3×9 | 150 | 104 | 190 | 70 | 56 | 102 | 12 | 12 | 42.8 | 30 | 4.5 | 78.3 | 5~11 | 16 | 11 | 234 | 115 | 27 | 0.3 | 25 |
| 18 | 44.5 | 6×M8 | 196 | 4×9 | 175 | 107 | 217 | 77 | 64 | 116 | 12 | 12 | 47.8 | 35 | 4.5 | 89.4 | 6~13 | 17 | 11 | 250 | 133 | 32 | 0.4 | 15 |
注:
1)可订制小于表列尺寸的安装轴孔。
2)安装标准气隙。
3)力矩可调型和力矩不可调型,可根据要求选型。
4)安装板(法兰)、防尘罩可根据要求选配。
5)可订制应用于舞台专用制动器,静音外理,亦可订制双倍制动。

1-释放手柄 2-防尘罩 3-安装螺钉 4-空心螺栓 5-衔铁 6-制动盘7-齿轮套 8-调节螺母 9-弹簧 10-磁轭组件 11-安装板
属常闭型设计,即无电流通过时处于制动状态,弹簧压力→摩擦力→制动力矩,为干式摩擦;当接通直流电时,制动器即释放。
力矩调节是通过调节螺母3来完成,力矩不可调制动器无此件。
五、注意事项
1、摩擦片属于易损件。磨损后,气隙增大,当超过制动器最大允许气隙时,应进行重新调整,否则影响正常工作,甚至损坏制动器和电机。
2、当频繁运转、制动时,应定期检查紧固件有无松动,如有松动,应重新调整旋紧后再使用。
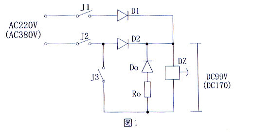
六、控制线路
制动器线圈工作电压常规为直流24V和190V两种。本厂有专为制动器配套的ZL、ZL1型整流电源,具有输入输出?;は呗?,体积小、工作可靠,整体密封,可直接安装于电机的接线盒内,接线方式详见ZL整流电源接线图。


步骤一、安装齿轮套内挡圈。 Step1: Install the gear snap ring

步骤二、安装平键。Step2: Install the flat key

步骤三、安装齿轮套。Step3: Install the gear hub

步骤四、安装齿轮套外挡圈,保证齿轮套无轴向窜动。
Step4: Install the gear hub of outer snap ring to ensure the gear sleeve without axial movement.

步骤五、安装制动盘组件,保证其在齿轮套上轴向滑动顺畅.
Step5: Install the brake disc,ensure its axial sliding **oothly on the gear sleeve.

步骤六、安装磁轭组件,用安装螺钉将磁轭组件安装在电机端盖上。
Step6: Install the magnetic yoke,use the mounting screw to fix it on the motor side hood.

步骤七、调整气隙。
1,将所有的空心螺栓旋入磁轭组件,使空心螺栓与电机端盖留有1-2mm左右间距。
2,将等于正常工作气隙的塞尺插入制动器的衔铁和磁轭组件之间,塞尺位置尽量靠近安装螺钉,适量旋紧安装螺钉夹住塞尺,以塞尺能自由地从衔铁与磁轭组件之间的气隙中插入抽出为宜。
3,其余的安装螺钉处重复步骤2调整,并保证圆周方向气隙均匀。调整气隙完毕
Step7: Adjust the air gap:
1.Screw all hollow bolts into the magnetic yoke,make it with the motor side hood 1-2mm distance.
2.Insert the rated value feeler gauge between the armature and magnetic yoke,let the feeler gauge closer to the mounting screw,keep them at rated air gap value.
3.As same as this way,screw all mounting screws,adjust the air gap.

步骤八、锁紧空心螺栓。
1,调整气隙完毕后,将所有的空心螺栓锁紧在电机端盖上。
2,用塞尺测量制动器气隙,当气隙不正确或不均匀时需重新调整,按步骤七方法在相应气隙不正确的安装螺钉处逐一调整,直至达到标准值为止。
Step8: Fix the hollow bolt tightly:
1.After the air gap adjustment,lock the hollow bolt on the motor side hood tightly.
2.Use the feeler gauge to measure the air gap and make sure it in rated value.

步骤九、安装散热风扇。
Step9: Install the cooling fan.

步骤十、安装风扇挡圈。
Step10: Install the fan snap ring.

步骤十一、安装电机风罩。
Step11: Install the motor wind shield.

步骤十二、安装释放手柄。
Step12: Install the manual release lever.
注意事项
1.摩擦片属磨损件,磨损后,气隙将增大,当其超过最大允许值时,应进行重新调整,否则会影响正常工作,甚至损坏制动器和电机。
2.当设备工作频繁,制动时,应定期检查其安装螺钉有无松动,如有松动,应重新调整旋紧后再使用。
3.如安装后,使用时有异常情况,应检查安装方式,按说明书进行调整。


