博雅扑克官方首页-首页即战场,扑克即刻开始

焦作市虹旭制动器有限公司

产品分类
 
  • 暂无链接!
会员推荐
您当前的位置:首页 » » SDBH_I系列液压失效?;づ淌街贫?/div>
SDBH_I系列液压失效保护盘式制动器
点击图片查看原图
产品: 浏览次数:642SDBH_I系列液压失效?;づ淌街贫?/strong> 
品牌: 虹旭
环境温度: -20℃~+50℃
相对湿度: 不大于90%
电源: 380v50hz
单价: 888.00元/台
最小起订量: 1 台
供货总量: 1000 台
发货期限: 自买家付款之日起 3 天内发货
有效期至: 长期有效
最后更新: 2025-11-18 15:22
  询价
详细信息
 

液压失效保护制动器


SDBH_I系列液压失效?;づ淌街贫?br /> 详细说明

 

  概述:常闭式设计,液压松闸,符合JB / T10917-2008 《钳盘式制动器》标准。全自动随位装置确保制动器释放状态下与制动盘问隙均等,避免浮贴现象。**高的可调性可有效弥补安装现场出现的误差。配备交直流宽电压开闸和磨损感应开关,可进行联锁?;ず凸收暇?。广泛用于大中型起重机,港口装卸机械起升以及臂架俯仰机构低速轴紧急安全制动,矿用卷扬机,提升机和大功率倾斜式皮带运输机的工作制动和紧急安全制动,缆车和索缆起重机驱动机构的安全制动,铸造起重机等特种起重机起升机构低速轴的安全(紧急)制动。

  使用条件:

  工作油压: 8-9.5MPa 。

  环境温度:-5℃--40℃ 。

  产品详情

  型号意义

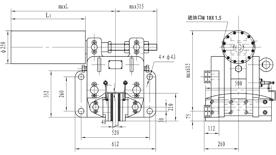
  技术参数及外形尺寸表

产品型号

额定夹紧力KN

制动力KN

单侧退距 mm

工作油压 MPa

油缸开闸油量 ml

L

L1

重量kg

SDBH250- I

250

180

1?2

8

275

595

378

660

SDBH365- I

365

262

1?2

8

275

790

570

720

SDBH425- I

425

306

1?2

9.5

275

790

570

730

 
询价单
0条  相关评论
网站首页  |   |   |   |   | 
Copyright©2026 焦作市虹旭制动器有限公司 版权所有   技术支持:全球起重机械网   访问量:29683