破碎设备 采煤设备 磨矿设备 筛分设备 脱水设备 浮选设备 分级设备 重选设备 磁选设备 过滤设备 干燥设备 给料设备 除尘设备 浓缩设备 输送设备 提升贮运设备 矿用钻机及配件 矿山机械设备配件
|
|
|||||||||||||||||||
制动器安装尺寸和制动力矩参数:符合JB/ZQ 标准,技术要求符合JB/T标准。
主要特点:主要摆动铰点均安装有自润滑轴承,传动效率高,使用中无需润滑。制动衬垫安装型式有两种:铆接式和插入式(订货时说明)。
使用条件:
环境温度: -20℃-50℃;
空气相对湿度不大于90%;
使用地点的海拔高度符合GB;
周围工作环境中不得有易燃、易爆及腐蚀性气体,否则应采用防腐型产品。



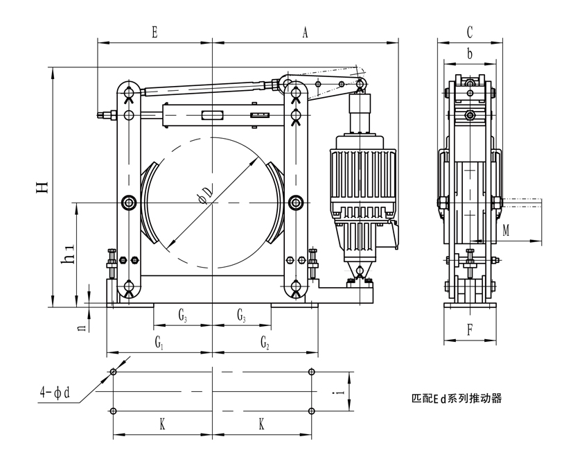
注:YWZ4系列制动器匹配Ed推动器,替代原YWZ4B)单位:(mm)
|
制动器型号 |
匹雖动器 |
制动 力矩 (Nm) |
退距 E |
A |
b |
C |
D |
d |
E |
F |
Gi |
G2 |
H |
hi |
i |
K |
M |
n |
G3 |
重量 (kg) |
|
YWZ4-100/E23 |
Ed23/5 |
40 |
0.6 |
320 |
70 |
160 |
100 |
13 |
130 |
75 |
125 |
125 |
377 |
100 |
40 |
110 |
144 |
6 |
50 |
21 |
|
YWZ4-100/E30 |
Ed30/5 |
100 |
340 |
70 |
442 |
24 |
||||||||||||||
|
YWZ4-150/E23 |
Ed23/5 |
100 |
0.6 |
347 |
90 |
160 |
150 |
17 |
175 |
100 |
170 |
170 |
437 |
140 |
60 |
150 |
144 |
8 |
70 |
25 |
|
YWZ4-150/E30 |
Ed30/5 |
120 |
461 |
29 |
||||||||||||||||
|
YWZ4-200/E23 |
Ed23/5 |
200 |
0.7 |
430 |
90 |
160 |
200 |
17 |
210 |
100 |
195 |
195 |
436 |
170 |
60 |
175 |
156 |
8 |
95 |
31 |
|
YWZ4-200/E30 |
Ed30/5 |
230 |
427 |
468 |
34 |
|||||||||||||||
|
YWZ4-300/E30 |
Ed30/5 |
320 |
0.7 |
487 |
140 |
160 |
300 |
22 |
290 |
130 |
275 |
275 |
595 |
240 |
80 |
250 |
213 |
10 |
125 |
65 |
|
YWZ4-300/E50 |
Ed50/6 |
630 |
529 |
190 |
78 |
|||||||||||||||
|
YWZ4-300/E80 |
Ed80/6 |
750 |
79 |
|||||||||||||||||
|
YWZ4-400/E50 |
Ed50/6 |
1000 |
0.8 |
664 |
180 |
220 |
400 |
22 |
370 |
180 |
350 |
350 |
750 |
320 |
130 |
325 |
275 |
12 |
190 |
128 |
|
YWZ4-400/E80 |
Ed80/6 |
1600 |
140 |
|||||||||||||||||
|
YWZ4-400/E121 |
Ed121/6 |
2000 |
653 |
240 |
764 |
155 |
||||||||||||||
|
YWZ4-500/E121 |
Ed121/6 |
2500 |
0.8 |
713 |
200 |
250 |
500 |
22 |
440 |
200 |
405 |
405 |
919 |
400 |
150 |
380 |
310 |
16 |
225 |
210 |
|
YWZ4-500/E201 |
Ed201/6 |
3600 |
||||||||||||||||||
|
YWZ4-600/E121 |
Ed121/6 |
3200 |
0.8 |
848 |
240 |
315 |
600 |
26 |
555 |
220 |
500 |
500 |
1095 |
475 |
170 |
475 |
400 |
18 |
250 |
390 |
|
YWZ4-600/E201 |
Ed201/6 |
5000 |
||||||||||||||||||
|
YWZ4-700/E201 |
Ed201/6 |
8000 |
0.8 |
978 |
280 |
390 |
700 |
34 |
600 |
270 |
575 |
575 |
1248 |
550 |
200 |
540 |
495 |
25 |
315 |
465 |
|
YWZ4-700/E301 |
Ed301/12 |
8650 |
1251 |
466 |
||||||||||||||||
|
YWZ4-800/E301 |
Ed301/12 |
12500 |
0.9 |
1115 |
320 |
436 |
800 |
34 |
680 |
320 |
677 |
677 |
1417 |
600 |
240 |
620 |
556 |
25 |
367 |
885 |
注:具体型号,结构外形尺寸保留更改的权利。
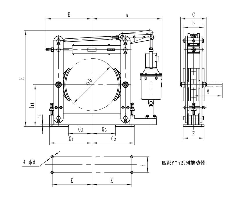
注:YWZ4系列制动器匹配YT1推动器,替代原YWZB)单位:(mm)
|
制动器型号 |
匹配推动器 |
制动力矩(nm)(nm) |
退距 E |
A |
b |
C |
D |
d |
E |
F |
G1 |
G2 |
H |
H1 |
i |
K |
M |
n |
G3 |
重量 (kg) |
|
YWZ4-100/18 |
YT1-18ZB/2 |
40 |
0.6 |
269 |
70 |
137 |
100 |
13 |
130 |
75 |
125 |
125 |
384 |
100 |
40 |
110 |
144 |
6 |
50 |
20 |
|
YWZ4-150/25 |
YT1-25ZB/4 |
100 |
0.6 |
307 |
90 |
154 |
150 |
17 |
175 |
100 |
170 |
170 |
437 |
140 |
60 |
150 |
144 |
8 |
70 |
26 |
|
YWZ4-200/25 |
YT1-25ZB/4 |
200 |
0.7 |
347 |
90 |
154 |
200 |
17 |
210 |
100 |
195 |
195 |
437 |
170 |
60 |
175 |
156 |
8 |
95 |
30 |
|
YWZ4-300/25 |
YT1-25ZC/4 |
320 |
0.7 |
447 |
140 |
160 |
300 |
22 |
290 |
130 |
275 |
275 |
590 |
240 |
80 |
250 |
210 |
10 |
125 |
63 |
|
YWZ4-300/45 |
YT1-45Z/6 |
630 |
459 |
178 |
70 |
|||||||||||||||
|
YWZ4-400/45 |
YT1-45Z/6 |
1000 |
0.8 |
564 |
180 |
220 |
400 |
22 |
370 |
180 |
350 |
350 |
750 |
320 |
130 |
325 |
275 |
12 |
190 |
120 |
|
YWZ4-400/90 |
YT1-90Z/8 |
1600 |
580 |
130 |
||||||||||||||||
|
YWZ4-400/125 |
YT1-125Z/10 |
2200 |
632 |
254 |
847 |
279 |
167 |
|||||||||||||
|
YWZ4-500/90 |
YT1-90Z/8 |
2500 |
0.8 |
670 |
200 |
250 |
500 |
22 |
440 |
200 |
405 |
405 |
919 |
400 |
150 |
380 |
310 |
16 |
225 |
210 |
|
YWZ4-500/125 |
YT1-125Z/10 |
2650 |
692 |
254 |
940 |
220 |
||||||||||||||
|
YWZ4-500/180 |
YT1-180Z/10 |
3000 |
946 |
235 |
||||||||||||||||
|
YWZ4-600/90 |
YT1-90Z/8 |
3200 |
0.8 |
805 |
240 |
315 |
600 |
26 |
555 |
220 |
500 |
500 |
1087 |
475 |
170 |
475 |
400 |
18 |
250 |
400 |
|
YWZ4-600/180 |
YT1-180Z/12 |
5000 |
827 |
1095 |
430 |
|||||||||||||||
|
YWZ4-700/180 |
YT1-180Z/12 |
8000 |
0.8 |
957 |
280 |
390 |
700 |
34 |
600 |
270 |
575 |
575 |
1248 |
550 |
200 |
540 |
495 |
25 |
315 |
500 |
|
YWZ4-800/180 |
YT1-180Z/12 |
10000 |
0.9 |
1094 |
320 |
436 |
800 |
34 |
680 |
320 |
677 |
677 |
1389 |
600 |
240 |
620 |
556 |
25 |
367 |
720 |
|
YWZ4-800/320 |
YT1-320Z/12 |
12500 |
1155 |
885 |
注:具体型号,结构外形尺寸保留更改的权利。
仅需1分钟,轻松获报价
留言后将以邮件、短信等方式通知工作人员,3分钟内将电话与您联系,请保持电话畅通
小不过我们的服务细致入微
大不抵我们的服务面面俱到
真诚服务赢得万千信任
您可能感兴趣的产品
免责声明:所展示的信息由会员自行提供,内容的真实性、准确性和合法性由发布会员负责,全球起重机械网对此不承担任何责任。全球起重机械网不涉及用户间因交易而产生的法律关系及法律纠纷,纠纷由您自行协商解决。
侵权投诉电话:0371-63739697,接到来电后我们会第一时间查清事实并处理,在您的合法权益收到侵害时,我们将竭诚为您服务,感谢您对全球起重机械风的关注与支持!

官方公众号
运营单位:河南九通科技有限公司 公司地址:河南省郑州市经三路鑫苑金融广场银座7楼
广告投放/会员办理:18237318012 客服热线:18237318012
全球起重机械网(1999-) 版权所有 本站网络实名:全球起重机械网 备案号:豫ICP备10205603号-7 公安备案号:41910502000059
手机版|
关注公众号|

扫码手机店铺