破碎设备 采煤设备 磨矿设备 筛分设备 脱水设备 浮选设备 分级设备 重选设备 磁选设备 过滤设备 干燥设备 给料设备 除尘设备 浓缩设备 输送设备 提升贮运设备 矿用钻机及配件 矿山机械设备配件
|
|
|||||||||||||||||||
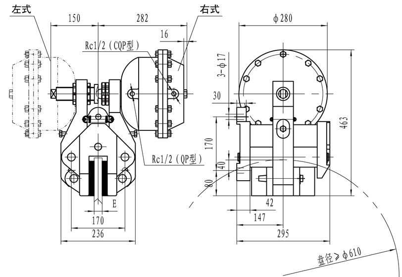
概述: QP(CQP) 系列气动钳盘制动器主要用于起重、运输、冶金、矿山、港口、建筑等机械中各种机构的制动和减速。
使用条件:环境温度: -5℃-40℃ 工作气压: QP系列为5-7bar; CQP 系列为≦7bar。 户外雨雪侵蚀或有腐蚀性气体和介质应采用防腐型产品。 空气源不应有油、水和其他杂质。
主要特点:QP 系列为弹簧制动,气动释放; CQP 系列为气压制动,弹簧释放。 整体结构简单,体积小,重量轻。 无石棉制动衬垫,绿色环保。 制动衬垫安装采用压簧卡装式,更换方便快捷。 制动衬垫磨损后调整方便简单。 QP 系列每种规格制动器的一种盘径可进行四级制动力矩调整。 所有动力源无需单独设置,可与已有的空压站并网使用,在供气线路中加装调速阀,制动时间可实现无级调整。
注: 1 、可生产不同盘厚、不同安装尺寸的气动钳盘制动器。 2 、具体型号、结构外形尺寸保留更改的权利。

例如:1、选用QP12.7型、A型气包、弹簧为6根、气包左式安装,其订货标记为QP12.7-A-6左;
2、选用QPL12.7A型、B型气包、带机械式松闸显示,气包右式安装,其订货标记为QPL12.7A-B-E1右。

QP12.7型
|
型号 |
额定制动力(N) (八根弹簧) |
制动盘有效半径(m) |
额定制动力矩(Nm) |
工作气体容量(cm3) |
总气体容量(cm3) |
重量(kg) |
|
QP12.7-A |
6400 |
制动盘半径-0 . 03 |
额定制动力X有效半径 |
273 |
553 |
24 |
|
QP12.7-B |
4800 |
140 |
293 |
20 |
CQP12.7型
|
型号 |
额定制动力(N) |
制动盘有效半径(m) |
额定制动力矩(Nm) |
工作气体容量(cm3) |
总气体容量(cm3) |
重量(kg) |
|
CQP12.7-A |
1788X工作气压 |
制动盘半径-0 . 03 |
额定制动力X有效半径 |
273 |
553 |
23 |
|
CQP12.7-B |
1055X工作气压 |
140 |
293 |
19 |
气包带自动补偿机构,制动衬垫磨损后无需人工调整,方便省时。

|
型号 |
额定制动力(N) (八根弹簧) |
制动盘有效半径(m) |
额定制动力矩(Nm) |
工作气体容量(cm3) |
总气体容量(cm3) |
重量(kg) |
|
QP12.7-C |
6400 |
制动盘半径-0 . 03 |
额定制动力X有效半径 |
273 |
553 |
25 |

QPL12.7A型
|
型号 |
额定制动力(N)(八根弹簧) |
制动盘有效半径(m) |
额定制动力矩(Nm) |
工作气体容量(cm3) |
总气体容量(cm3) |
重量(kg) |
|
QPL12.7A-A |
6400 |
制动盘半径-0.03 |
额定制动力X有效半径 |
273 |
553 |
24 |
|
QPL12.7A-B |
4800 |
140 |
293 |
20 |
CQPL12.7A型
|
型号 |
额定制动力(N) |
制动盘有效半径(m) |
额定制动力矩(Nm) |
工作气体容量(cm3) |
总气体容量(cm3) |
重量(kg) |
|
CQPL12.7A-A |
1788X工作气压 |
制动盘半径-0.03 |
额定制动力X有效半径 |
273 |
553 |
23 |
|
CQPL12.7A-B |
1055X工作气压 |
140 |
293 |
19 |

QPL12.7-B型
|
型号 |
额定制动力(N)(八根弹簧) |
制动盘有效半径(m) |
额定制动力矩(Nm) |
工作气体容量(cm3) |
总气体容量(cm3) |
重量(kg) |
|
QPL12.7-B |
2100 |
制动盘半径-0.03 |
额定制动力X有效半径 |
140 |
293 |
11 |
CQPL 12.7-B型
|
型号 |
额定制动力(N) |
制动盘有效半径(m) |
额定制动力矩(Nm) |
工作气体容量(cm3) |
总气体容量(cm3) |
重量(kg) |
|
CQPL12.7-B |
416X工作气压 |
制动盘半径-0.03 |
额定制动力X有效半径 |
140 |
293 |
10 |

QP30 ( 25.4 )型
|
型号 |
E |
额定制动力(N) (12根弹簧) |
制动盘有效半径(m) |
额定制动力矩(Nm) |
工作气体容量(cm3) |
总气体容量(cm3) |
重量(kg) |
|
QP30-D |
30 |
32800 |
制动盘半径-0. 065 |
额定制动力X有效半径 |
1400 |
3000 |
70 |
|
QP25.4-D |
25.4 |
CQP30 (25.4) 型
|
型号 |
E |
额定制动力(N) (12根弹簧) |
制动盘有效半径(m) |
额定制动力矩(Nm) |
工作气体容量(cm3) |
总气体容量(cm3) |
重量(kg) |
|
CQP30-D |
30 |
6097X工作气压 |
制动盘半径-0. 065 |
额定制动力X有效半径 |
1400 |
3000 |
68 |
|
CQP25.4-D |
25.4 |

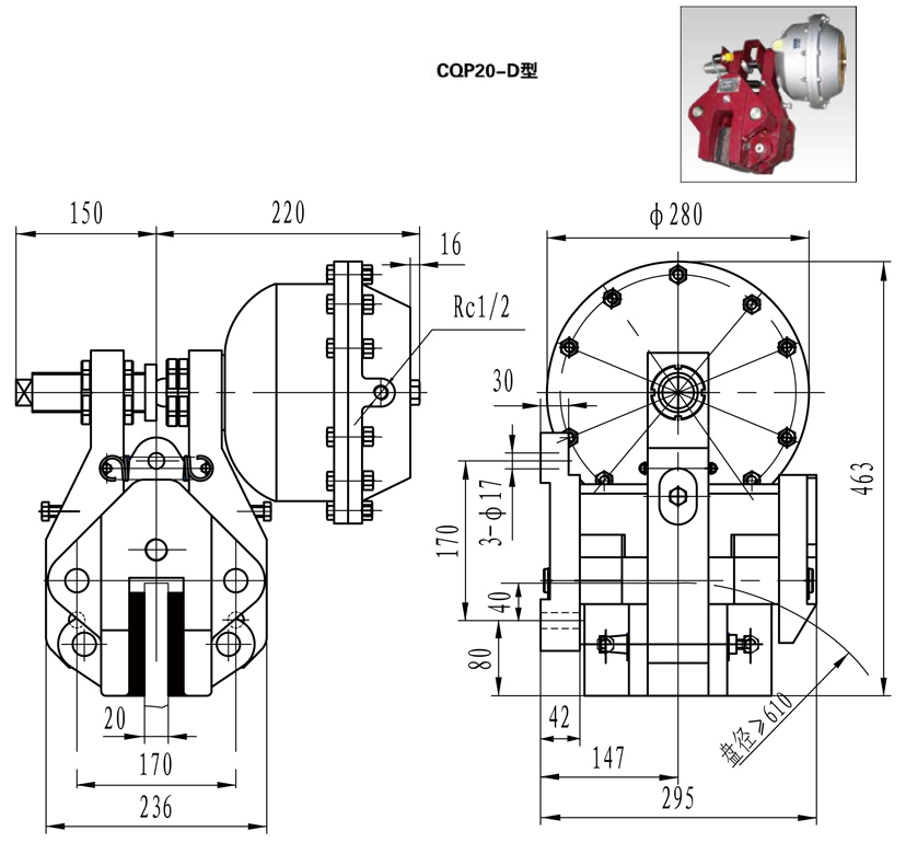
CQP20-D型
|
型号 |
额定制动力(N) |
制动盘有效半径(m) |
额定制动力矩(Nm) |
工作气体容量(cm3) |
总气体容量(cm3) |
重量(kg) |
|
CQP20-D |
6097X工作气压 |
制动盘半径-0. 065 |
额定制动力X有效半径 |
1400 |
3000 |
68 |
概述: CQP 系列B型产品广泛应用于起重、运输、冶金、矿山、港口、建筑等机械中各种机构的制动和减速,以及电缆、造纸、铜板等机械的张紧控制领域。
使用条件:环境温度: -5℃ - 40℃ 工作气压: ≦7bar; 户外雨雪侵蚀或有腐蚀性气体和介质应采用防腐型产品。 空气源不应有油、水和其他杂质。
主要特点:气压制动,弹簧释放。 整体结构简单,体积小,重量轻。 无石棉制动衬垫,绿色环保。 制动衬垫安装、更换方便快捷。 制动衬垫磨损后调整方便简单。 制动块自动随位装置,以确保制动块在整机开合运作状态下与主机制动盘上下间隙均等。 所有动力源无需单独设置,可与已有的空压站并网使用,在供气线路中加装调速阀,制动时间可实现无级调整。


CQP10B型 技术参数见表一,外形尺寸见表二
(表一)
| CQP10B-A | 额定制动力N | 3725 | 5415 | 7150 | 8940 | 10680 | 制动盘有效半径m | 额定制动力距N.m |
| 气压 bar | 2 | 3 | 4 | 5 | 6 | |||
| CQP10B-B | 额定制动力N | 2110 | 3165 | 4220 | 5275 | 6330 | ||
| 气压 bar | 2 | 3 | 4 | 5 | 6 | 制动盘有效半径-0.03 | 额定制动力距×有效半径 | |
| CQP10B-F | 额定制动力N | 1065 | 1600 | 2133 | 2665 | 3200 | ||
| 气压 bar | 2 | 3 | 4 | 5 | 6 |
(表二) 单位:(mm)
| 尺寸
型号 |
B |
D |
E |
F |
ΦG |
H |
I |
J |
K |
Φd |
Φd1 |
|
CQP10B-A |
220 |
155 |
10 |
181 |
Φ190 |
310 |
39 |
80 |
40 |
Φ14 |
G3/8 " |
|
CQP10B-B |
200 |
155 |
10 |
181 |
Φ150 |
290 |
39 |
80 |
40 |
Φ14 |
G3/8“ |
|
CQP10B-F |
180 |
155 |
10 |
181 |
Φ114 |
280 |
39 |
80 |
40 |
Φ14 |
G1/4“ |
CQP20B型技术参数见表三,外形尺寸见表四,结构见图一
(表三)
|
CQP20B-A |
额定制动力N |
3725 |
5415 |
7150 |
8940 |
10680 |
制动盘有效半径 m |
额定制动力矩 N.m |
|
气压 bar |
2 |
3 |
4 |
5 |
6 |
|||
|
CQP20B-B |
额定制动力N |
2110 |
3165 |
4220 |
5275 |
6330 |
||
|
气压 bar |
2 |
3 |
4 |
5 |
6 |
制动盘半径-0.03 |
额定制动力 X有效半径 |
|
|
CQP20B-F |
额定制动力N |
1065 |
1600 |
2133 |
2665 |
3200 |
||
|
气压 bar |
2 |
3 |
4 |
5 |
6 |
(表四) 单位:(mm)
| 尺寸
型号 |
B |
D |
E |
F |
ΦG |
H |
I |
J |
K |
Φd |
Φd1 |
|
CQP20B-A |
220 |
165 |
20 |
192 |
Φ190 |
310 |
39 |
90 |
40 |
Φ14 |
G3/8 " |
|
CQP20B-B |
200 |
165 |
20 |
192 |
Φ150 |
290 |
39 |
90 |
40 |
Φ14 |
G3/8 " |
|
CQP20B-F |
180 |
165 |
20 |
192 |
Φ114 |
280 |
39 |
90 |
40 |
Φ14 |
G1/4“ |
CQP38B型技术参数见表五,外形尺寸见表六,结构见图一
(表五)
|
CQP38B-A |
额定制动力N |
3725 |
5415 |
7150 |
8940 |
10680 |
制动盘有效半径 m |
额定制动力矩 N.m |
|
气压 bar |
2 |
3 |
4 |
5 |
6 |
|||
|
CQP38B-B |
额定制动力N |
2110 |
3165 |
4220 |
5275 |
6330 |
||
|
气压 bar |
2 |
3 |
4 |
5 |
6 |
制动盘半径-0.03 |
额定制动力 X有效半径 |
|
|
CQP38B-F |
额定制动力N |
1065 |
1600 |
2133 |
2665 |
3200 |
||
|
气压 bar |
2 |
3 |
4 |
5 |
6 |
(表六) 单位:(mm)
| 尺寸
型号 |
B |
D |
E |
F |
ΦG |
H |
I |
J |
K |
Φd |
Φd1 |
|
CQP38B-A |
220 |
200 |
38 |
230 |
Φ190 |
310 |
39 |
90 |
40 |
Φ14 |
G3/8 " |
|
CQP38B-B |
200 |
200 |
38 |
230 |
Φ150 |
290 |
39 |
90 |
40 |
Φ14 |
G3/8“ |
|
CQP38B-F |
180 |
200 |
38 |
230 |
Φ114 |
280 |
39 |
90 |
40 |
Φ14 |
G1/4“ |
CQPL38B型技术参数见表七,结构及外形尺寸见图二
(表七)
|
CQPL38B-A |
额定制动力N |
3725 |
5415 |
7150 |
8940 |
10680 |
制动盘有效半径 m |
额定制动力矩 N.m |
|
气压 bar |
2 |
3 |
4 |
5 |
6 |
|||
|
CQPL38B-B |
额定制动力N |
2110 |
3165 |
4220 |
5275 |
6330 |
制动盘半径-0.03 |
额定制动力 X有效半径 |
|
气压 bar |
2 |
3 |
4 |
5 |
6 |
仅需1分钟,轻松获报价
留言后将以邮件、短信等方式通知工作人员,3分钟内将电话与您联系,请保持电话畅通
小不过我们的服务细致入微
大不抵我们的服务面面俱到
真诚服务赢得万千信任
您可能感兴趣的产品
免责声明:所展示的信息由会员自行提供,内容的真实性、准确性和合法性由发布会员负责,全球起重机械网对此不承担任何责任。全球起重机械网不涉及用户间因交易而产生的法律关系及法律纠纷,纠纷由您自行协商解决。
侵权投诉电话:0371-63739697,接到来电后我们会第一时间查清事实并处理,在您的合法权益收到侵害时,我们将竭诚为您服务,感谢您对全球起重机械风的关注与支持!

官方公众号
运营单位:河南九通科技有限公司 公司地址:河南省郑州市经三路鑫苑金融广场银座7楼
广告投放/会员办理:18237318012 客服热线:18237318012
全球起重机械网(1999-) 版权所有 本站网络实名:全球起重机械网 备案号:豫ICP备10205603号-7 公安备案号:41910502000059
手机版|
关注公众号|

扫码手机店铺